珠海一微半导体股份有限公司近日获得一项实用新型专利,专利名称为“一种n倍脉宽扩展电路及脉宽扩展的锁相环系统”(授权公告号:cn112202424b,授权公告日:2024年11月29日,申请日:2020年11月6日)。
☞☞☞AI 智能聊天, 问答助手, AI 智能搜索, 免费无限量使用 DeepSeek R1 模型☜☜☜

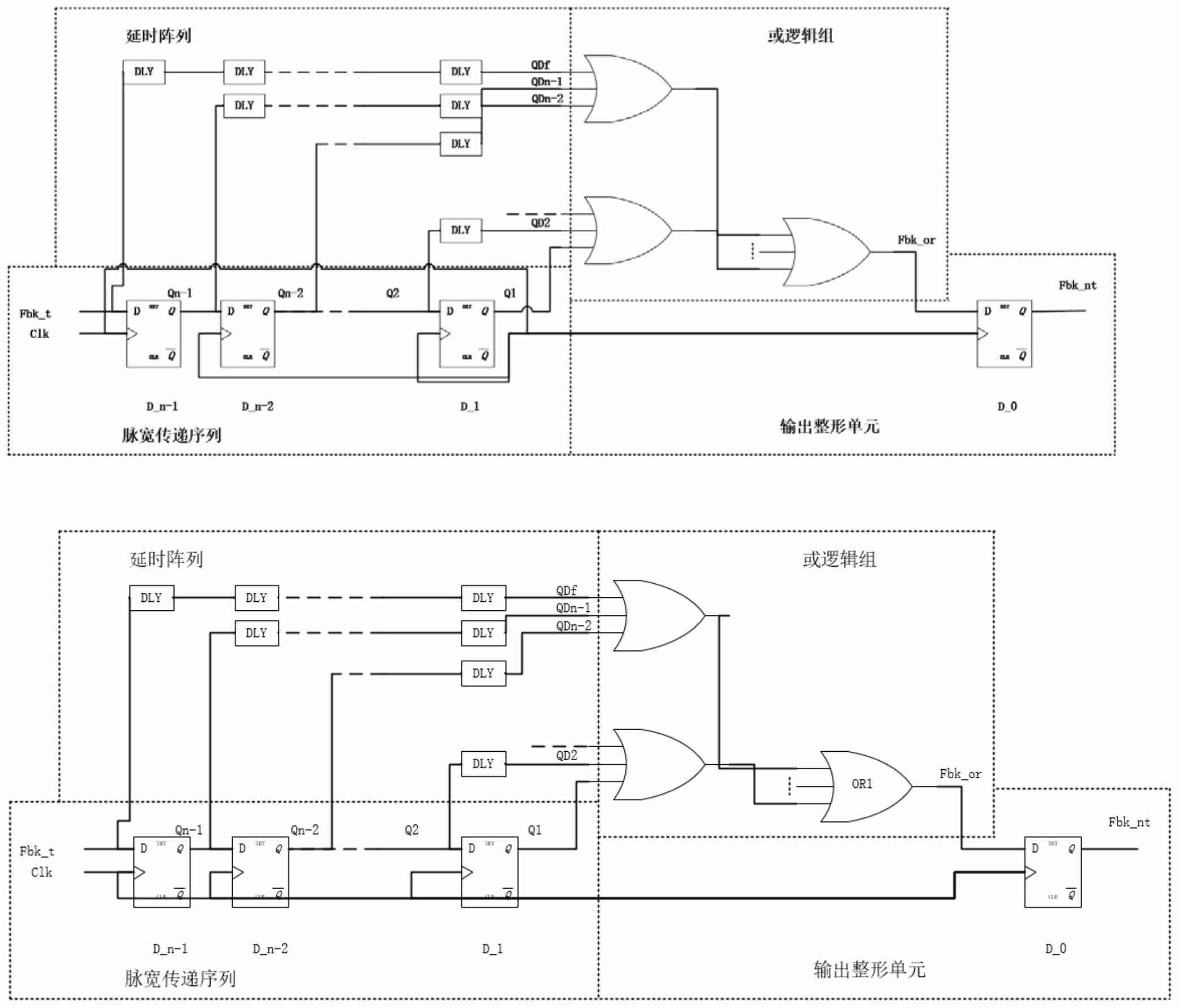
该专利公开了一种新型的n倍脉宽扩展电路,其结构简单,可灵活调节脉宽扩展倍数,具有高适应性和易实现性。该电路包含脉宽传递序列模块(n-1个级联D触发器)、延时阵列模块(n组延时子阵列)、或逻辑组模块(预设数量的或逻辑单元)以及输出整形单元模块(1个D触发器)。 专利还介绍了一种应用该脉宽扩展电路的锁相环系统,该系统利用该电路确保了系统的稳定运行。 这项创新技术有望提升锁相环系统的性能和稳定性。
N世界
一分钟搭建会展元宇宙
36 查看详情
以上就是一微半导体“一种n倍脉宽扩展电路及脉宽扩展的锁相环系统”专利获授权的详细内容,更多请关注创想鸟其它相关文章!
版权声明:本文内容由互联网用户自发贡献,该文观点仅代表作者本人。本站仅提供信息存储空间服务,不拥有所有权,不承担相关法律责任。
如发现本站有涉嫌抄袭侵权/违法违规的内容, 请发送邮件至 chuangxiangniao@163.com 举报,一经查实,本站将立刻删除。
发布者:程序猿,转转请注明出处:https://www.chuangxiangniao.com/p/372701.html
微信扫一扫
支付宝扫一扫



